华为的成功已经成为了中国各行各业企业的学习样板,众多企业和企业家在以各种方式学习华为。如何学习华为,学华为哪个阶段,学华为什么,如何学以致用这几个核心命题是成功学华为的关键。华恒上百位来自华为不同发展时期的高端顾问,有丰富的不同时期华为变革、业务运作和管理的实践经验,能够帮助中国企业深度学华为,学到华为成功的精髓。华恒也是率先将华为的变革经验和管理体系向腾讯、惠普、中国移动、广核集团、飞通、海大、迈瑞等等大量优秀企业成功移植的专业咨询机构,助力一大批企业提升了行业地位和核心竞争力。
华坤森泉基于咨询实践和华为的深度研究,形成了系统性的学习华为的解决方案,帮助中国企业和企业家摆脱了对华为零散认知,以偏概全、囫囵吞枣的学习方式,独特研究了基于华为“井冈山”、“延安”、“北平”不同阶段的发展特点和学习要点,从本质上归纳提炼了华为的成功之道。华恒学习华为的解决方案的服务内容包含:
管理成熟度对标评估
变革管理经验和模式引入
战略到执行体系打通BLM / DSTE
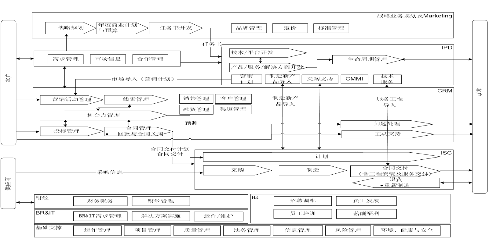
打造流程化组织及流程再造:DSTE / MTL / IPD / ITL / ISC/ ITR / IFS
营销能力与平台建设:解决方案销售五环十四招、客户开发九招致胜等等
流程管理与IT建设
企业文化与领导力建设
人力资源体系建设
效率与管控平台建设:内控体系、文秘平台等等
专项能力建设:业务连续性、质量成本等等
华坤森泉学习华为解决方案的核心理念是构建“以客户为中心”的作战方式,建设“以奋斗者为本”的组织激活机制,在此基础上以变革管理驱动企业系统性构建端到端的业务流程,将能力建在组织上,实现企业的可持续发展。华恒学习华为解决方案中融汇了大量的最前沿的管理体系、方法论和技术,并将这些技术融入到可执行可操作的流程和模板、IT中,最终落脚到企业市场竞争的作战体系。

